/ 雑記帳

[ カテゴリー » FOSTEX スピーカー ユニット ]

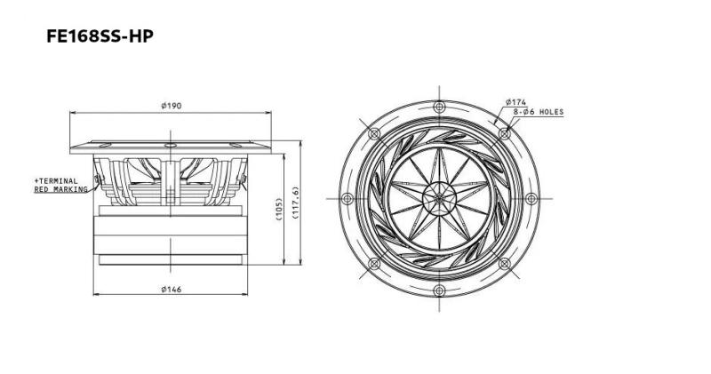
マルチシステムスピーカーの前後の位置関連(1)

最終的には試聴?で位置決めをするんだが
(※本来はホワイトノイズで試聴位置にマイクを立てて周波数特性がフラットに成る様にとか)
理屈的に?何cmぐらいが両者の振動板位置の差なのか?
見当をつけるため外形図を集めてきたのだが(笑)
ホント最初はかなりいい加減の所からのスタートになりそうだが(笑)
15cm径ブビンガ製ツイーターホーンの長さを考慮すると
80mm前後ではなかろうか?

4540-16


FE168SS-HP



— posted by くま at 09:24 am  

この記事に対するコメントはありません

<< 2026.4 >>
SMTWTFS
   1234
567891011
12131415161718
19202122232425
2627282930  
 
























T: Y: ALL: Online:
ThemePanel
Created in 0.0740 sec.