行って来ました。色々な意味でうーん...考えさせられました。
会場全体というかメイン会場の写真は撮れなかった(^_^;)
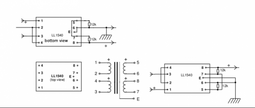
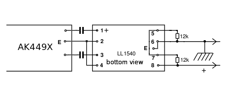
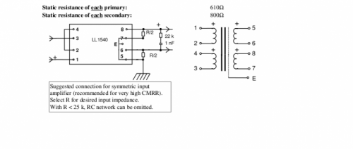
気になった基板とかアンプとか...

この基板に使われているシーメンスの積層型のコンデンサーはフォノイコライザーに使っても
中々良い味を出す部品だ。その他の部品についてもレコードをテストソースにしないと
良いと分かりにくい部品が選択されているように個人的見解として思える(^_^;)
この基板の設計者はアナログが大好きな方だと想像する。
自分には調整能力が無いのでマルチウェイシステムには興味が無くもっぱら第二会場で過ごす(^_^;)

会員の方々?の力作がテーブルの上に並んでいた。銀蒸気整流管83装備の12E1(STC)アンプ
一番聴いてみたかったが残念ながら音が出なかった。

バランス出力型D/Aコンバーターについて講演された大和氏はもちろんだが
片桐隆宏氏のダンピングファクターと再生音の関係について実際の試聴を交えた説明は
なるほどと思わせるものがあった。
残念だったのはダンピングファイクターの差を聴くためのアンプ切り換えの際
再生レベルを手動でその度に合わせていたのでレベルが高い方が良い様に感じた方がいるのでは?
という部分であった。
「ドシ!」なのか「どしーーン」なのか?会場に来られた方々はどう感じたのだろう(笑)
最後に種明かしというか模範解答の説明があるのか?と思ったら無かった!
来場者間でも誰もその辺を語らなかった...知らなかっただけなのか?(^_^;)
来場者のレベルが高くてそんな事を説明するだけ野暮と言うことか(^_^;)
初めて行った催しであるため周りに状況がまったく掴めない。多分周りからみたら挙動不審者に見えたかも(笑)
個人的に真空管アンプを普段に使用しているとダンピングファクターが低いアンプに慣れてしまって
ダンピングファクターが高いアンプの音を聴くと低音域が硬い様に感じるのだが?
独り言うと...
励磁型のスピーカーシステムを使えばこの辺のDF値での音の変化を体感出来るように思った。
励磁型スピーカーの電磁石に流す電流を変化させる事とDFを変化させる事は同値の様に思う。
開催者様ブログリンク:https://blogs.yahoo.co.jp/yapsystem/33103835.html






















Comments