/ LP3965ET-ADJ 検討中

LP3965ET-ADJ 検討中

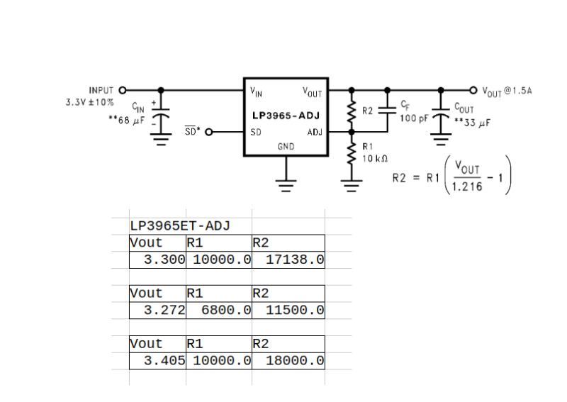
1.5A 高速超低ドロップアウト・リニア・レギュレータ
R1は10kΩが推奨の様だな...
Vout=1.216x(R2/R1/+1)...

LP3965ET



— posted by くま at 11:24 am  

この記事に対するコメントはありません

<< 2025.11 >>
SMTWTFS
      1
234 5 6 7 8
910 111213 1415
1617181920 21 22
2324 25262728 29
30      
 
























T: Y: ALL: Online:
ThemePanel
Created in 0.0167 sec.